致力于成為全球領先的
自動化解決方案平臺

訂貨舉例:RVA系列氣控閥,二位三通,2系列閥體,常閉型,單頭控制,接管口徑為1/4,氣復位,閥體類型為NAMUR型,PT牙,其ERP編碼為:RVA3221-08QM-P
| 型號 | RVA5221-08M | RVA5231-08M | RVA5231-10M |
| 接管口徑 | G14(排氣G1/8) | G1/4 | G3/8[排氣G1/4) |
| 有效截面積(m ) | 兩位:16(CV=0.89) | 兩位:25(CV=1.40) | 兩位:30(CV=1.68) |
| 工作介質 | 經40μm濾芯過濾的干燥壓縮空氣 | ||
| 動作型式 | 外部氣控式 | ||
| 復位型式 | 氣復位 | ||
| 潤滑 | 不需要 | ||
| 工作壓力(MPa) | 0.15~0.8 | ||
| 最大耐壓力(MPa) | 1.2 | ||
| 工作溫度(°C) | -20~70(不結冰) | ||
| 絕緣等級 | F級 | ||
| 最高動作頻率 | 兩位:5次/秒 | ||
| 型號 | RVA3221-08M | RVA3231-08M | RVA3231-10M |
| 接管口徑 | G1/4 | G1/4 | G3/8 |
| 有效截面積(mm2) | 16(CV=0.89) | 25(CV=1.40) | 30(CV=1.68) |
| 工作介質 | 經40um濾芯過濾的干燥壓縮空氣 | ||
| 動作型式 | 外部氣控式 | ||
| 復位型式 | 氣復位 | ||
| 潤滑 | 不需要 | ||
| 工作壓力(MPa) | 0.15~0.8 | ||
| 最大耐壓力(MPa) | 1.2 | ||
| 工作溫度(℃) | -20~70(不結冰) | ||
| 最高動作頻率 | 5次/秒 | ||

| 序號 | 零件名稱 | 材質 |
| 1 | 氣控蓋 | 鋁合金 |
| 2 | 活塞 | POM |
| 3 | 圓頭螺釘 | 碳鋼 |
| 4 | 閥體 | 鋁合金 |
| 5 | 閥桿 | 鋁合金 |
| 6 | O令 | NBR |
| 7 | 活塞 | POM |
| 8 | 后蓋 | 鋅合金 |

| 序號 | 零件名稱 | 材質 |
| 1 | 氣控蓋 | 鋁合金 |
| 2 | 活塞 | POM |
| 3 | 螺釘 | 碳鋼 |
| 4 | 閥體 | 鋁合金 |
| 5 | 閥桿 | 鋁合金 |
| 6 | O令 | NBR |
| 7 | 活塞 | POM |
| 8 | 后蓋 | 鋅合金 |
| 9 | 回歸座 | 鋁合金 |
| 10 | 彈簧座 | 鋁合金 |
| 11 | C型扣環 | 65Mn |

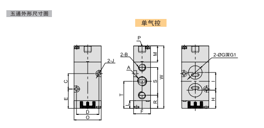
| 型號\符號 | A | B | C | D | E | F | K | L | M | N | O | P | R | S | W | W1* |
| RVA3221-08QM | G1/4 | 17.6 | 1.5 | 21 | 31 | 22 | 4.3 | 15.5 | 20 | 29 | 35 | G1/8 | 25.5 | 18 | 76 | 87 |
| RVA3231-08QM | G1/4 | 19.6 | 1.5 | 23 | 42.1 | 27 | 5.2 | 18.1 | 24 | 32 | 40 | G1/8 | 31.1 | 21 | 94.6 | 106 |
| RVA3231-10QM | G38 | 19.6 | 1.5 | 23 | 42.1 | 27 | 5.2 | 18.1 | 24 | 32 | 40 | G1/8 | 30.1 | 23 | 94.6 | 106 |
注:常開型和常閉型之安裝和外形尺寸相同,W1*為雙氣控換向閥尺寸

| 單位(mm) | ||||||||||||||||||||
| 型號\符號 | A | B | C | D | E | F | G | G1 | H | I | J | M | O | P | R | S | T | W | W1 | W2* |
| RVA5221-08QM | G1/4 | G1/8 | 20 | 29 | 25 | 22 | 17.6 | 1.5 | 23.5 | 23 | 4.3 | 21 | 35 | G1/8 | 17 | 36 | 35 | 81 | 92 | 111 |
| RVA5231-08QM | G114 | G1/4 | 24 | 32 | 32.1 | 27 | 19.6 | 1.5 | 32.1 | 24 | 5.2 | 23 | 4o | G1/8 | 21.6 | 45 | 44.1 | 99.6 | 111 | 130 |
| RVA5231-10QM | c38 | G1/4 | 24 | 32 | 32.1 | 27 | 19.6 | 1.5 | 32.1 | 24 | 5.2 | 23 | 40 | G1/8 | 21.6 | 45 | 44.1 | 99.6 | 111 | 130 |
注:W1*為雙氣控閥尺寸,W2*為三位置氣控閥尺寸