致力于成為全球領先的
自動化解決方案平臺

?
訂貨舉例:
1.同規格閥時:SR系列閥組,1系列,6個二位五通單電控電磁閥RV5211,工作口接管口徑為1/8,工作電壓DC24V,無附件,G牙。其ERP編碼為:S1R-6S-06E4。
⒉.不同規格閥混裝時:SR系列閥組,1系列,如右圖所示由第1、2位為二位五通單電控電磁閥RV5211,第3、4、5、6位為2個二位五通雙電控電磁閥SR5212,第7、8位為1個三位五通中封型雙電控電磁閥SR5312C,接管口徑為1/8,電壓為DC24V,附DIN導軌卡扣及1米DIN導軌,G牙。其ERP編碼為:S1R-2S2DC-06E4-D。



| 型號 | S1R-M5 SN1R-M5 |
S1H-06 SN1R-06 |
S2R-06 SN2R-06 |
S2R-08 SN2R-08 |
| 接管口徑 | M5 | G1/8 | G1/8 | G1/4(排氣G1/8) |
| 有效截面積(mm) | 兩位:5.5(CV=0.31) 三位:5.5(CV=0.28) |
兩位:12(CV=0.67) 三位:9(CV=0.50) |
兩位:14(CV=0.78) 三位:12(CV=0.67 ) |
兩位:16(CV=089) 三位:12(CV=0.67) |
| 工作介質 | 經40μm濾芯過濾的干燥壓縮空氣 | |||
| 動作型式 | 內部先導式 | |||
| 復位型式 | 氣復位 | |||
| 潤滑 | 不需要 | |||
| 工作壓力(MPa) | 0.15~0.8 | |||
| 最大耐壓力(MPa) | 1.2 | |||
| 工作溫度(℃) | 20~70(不結冰) | |||
| 電壓范圍 | -15%~10% | |||
| 耗電量 | S1R:2.8W ; SN1R:0.6W | S2R:3.0W ; SN2R:0.7W | ||
| 絕緣等級 | F級 | |||
| 最高動作頻率 | 兩位:5次/秒;三位:3次/秒 | |||
| 勵磁時間 | 25ms以下 | |||
| 重量(g) | S1R5212: 196 ; S1R5312:230 | S2R5222:351 ; S2R5322:409 | ||

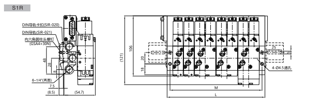
* DIN導軌兩端開孔位置無法指定,隨機變化。
| 符號/型號 | S1R3S | S1R4S | S1R5S | S1R6S | S1R7S | S1R8S | S1R9S | S1R10S | S1R11S | S1R12S | S1R13S | S1R14S |
| L | 76 | 95 | 114 | 133 | 152 | 171 | 190 | 209 | 228 | 247 | 266 | 285 |
| M | 66 | 85 | 104 | 123 | 142 | 161 | 180 | 199 | 218 | 237 | 256 | 275 |

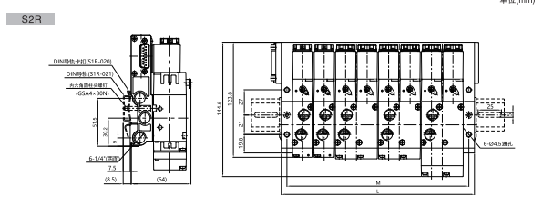
* DIN導軌兩端開孔位置無法指定,隨機變化。
| 符號/型號 | S2R3S | S2R4S | S2R5S | S2R6S | S2R7S | S2R8S | S2R9S | S2R10S | S2R11S | S2R12S | S2R13S | S2R14S |
| L | 92 | 115 | 138 | 161 | 184 | 207 | 230 | 253 | 276 | 299 | 322 | 345 |
| M | 80 | 103 | 126 | 149 | 172 | 195 | 218 | 241 | 264 | 287 | 310 | 333 |







